THE GLEN OF PACIFIC GROVE HOMEOWNERS ASSOCIATION


Home Page

Living in The Glen

Board Meeting Minutes

Committees

Financial Documents

Governing Documents

Insurance Policies

Laws

Photo Gallery

Library

Sewer Clean Out Locations

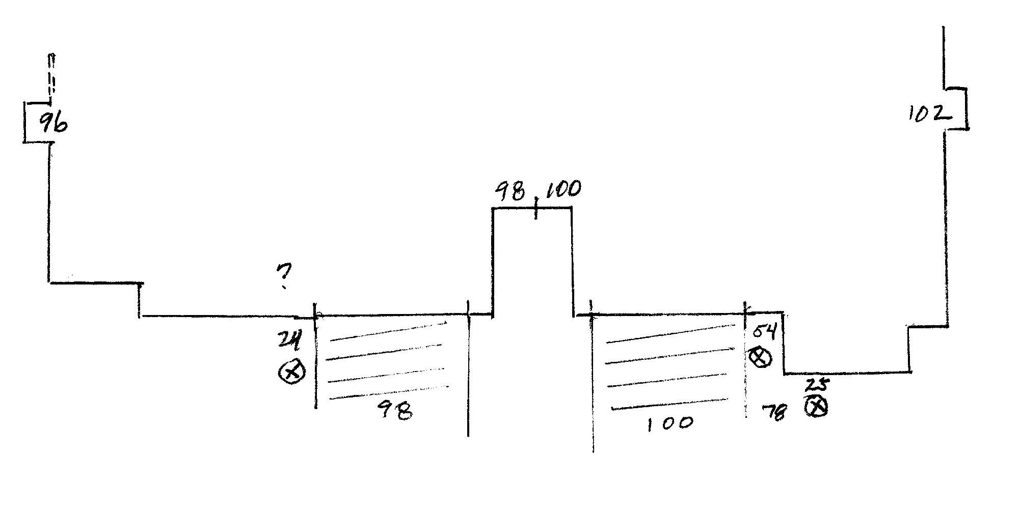
In 2005 a search was made to locate the sewer clean outs for all Glen units. It was found that almost all the clean outs for the 1 story units on the south side, 10 thru 58, were not visible.

In all cases where a clean out was found, its location was measured and recorded on the chart, sewer access . On that same chart the nomenclature used is indicated. A slightly long nomenclature page is also included.

Approximate sketches for each building may be found linked below;

3_5_7_9
10_12_14_16
11_13_15_17
19_21_23_25
26_28_30_32
34_36_38_40_42
44_46_48
50_52_54_56_58
59_61_63
65_67_69_71
72_74_76_78
80_82_84_86
88_90_92_94
96_98_100_102
104_106_108_110

This page last modified on 16 April 2009 .